1550nm DFB Module激光器组件
产品特色:
➢ MQW 1550nm DFB LD
➢ Low threshold current
➢ High output power
➢ Built-in InGaAsP monitor PD
➢ Wide temperature range operation
(Tc=-45℃to+85℃)
应用范围:
➢ 有线电视反向回传
➢ 光源
➢ 各类数字或模拟光信号传输
极限工作条件:

光电特性:

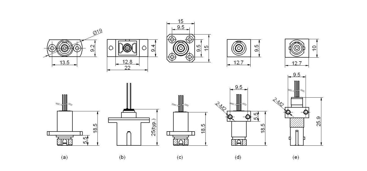
鞍型:
尾纤

接头

针脚排布:
